Стендовые испытания являются важным этапом в разработке жидкостного ракетного двигателя (ЖРД), который предшествует его лётно-конструкторским испытаниям. Этап стендового тестирования необходим для подтверждения надёжности запуска, работоспособности, правильности расчётных характеристик выбранной конструкции двигателя и проводится при условии обеспечения безопасности всех работ.
Для проведения испытаний ЖРД был разработан проект стенда, представленный на рисунке.

Одной из ключевых составляющих испытательного стенда является автоматизированная система управления (АСУ), которая предназначена для:
- автоматического получения информации от двигателя и стендовых систем;
- управления режимами работы двигателя и аппаратурой;
- обработки данных, получаемых о состоянии стенда;
- защиты двигателя от достижения критических значений параметров и диагностики неисправностей.
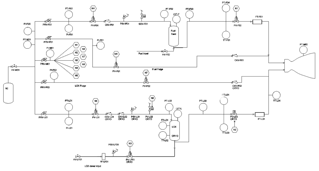
В этой статье я хочу дать краткое описание нижнего («полевого») уровня АСУ — контрольно-измерительных приборов (КИП), выполняющих измерение физических величин испытательного стенда. КИП АСУ представлены на следующей структурной схеме. При проектировании данной системы был учтен опыт разработки АСУ испытательного стенда Портлендского государственного аэрокосмического общества (PSAS).

На все компоненты АСУ изначально накладывались ограничения по компактности, доступности и надежности. Поэтому все приборы, используемые в системе, доступны для приобретения частному покупателю.
Приборы можно разбить на группы по типам измеряемых параметров.
Давление
Задачи, решаемые во время испытаний двигателя требуют измерения давления в узлах и магистралях. Кроме измерения статических показателей необходимо контролировать переменные значения давлений. Измеряемые давления позволяют оценивать основные параметры двигателя и систем.
Показывающие приборы
Индикация давления производится манометрами A-Flow G22-S-4N-63A, аналоговыми приборами с циферблатом:
- PI-F00 — в манифольде;
- PI-F01 — в магистрали наддува горючего;
- PI-P01 — в магистрали продувки горючего;
- PI-P02 — в магистрали продувки окислителя;
- PI-L01 — в магистрали наддува окислителя.
Измерительные приборы
В магистралях горючего давление измеряется при помощи тензометрических датчиков.
- PT-F01 и PT-F02 — в магистрали наддува горючего;
- PT-F03 и PT-F04 — в магистрали горючего.
В магистралях окислителя измерение производится микроэлектронными тензопреобразователями избыточного давления HPL-P.
- PT-L01 и PT-L02 — в магистрали наддува окислителя;
- PT-L03 и PT-L04 — в магистрали окислителя.
В манифольде и рубашке охлаждения двигателя давление измерятся тензометрическими датчиками.
- PT-M01 — в манифольде;
- PT-M02 — в рубашке охлаждения двигателя.
Температура
При проведении испытаний необходимо также измерять температуру в магистралях и баке окислителя. Эти измерения необходимы для оценки энергетического состояния двигателя и оценки влияния внешних факторов. Измерение производится датчиками температуры ТМ-119.
- TT-F01 и TT-F01 — в магистрали горючего;
- TT-L01 и TT-L02 — в баке окислителя;
- TT-L03 и TT-L04 — в магистрали окислителя.
Расход
Значения расходов компонентов на установившихся режимах — это исходные данные для расчета основных характеристик двигателя. Также большое значение имеет измерение расходов в переходных режимах работы ЖРД. Измерение расходов производится турбинными преобразователями расхода ТПР12-2.
- FT-L01 — в магистрали окислителя;
- FT-F01 — в магистрали горючего.
Уровень
Эффективная работа установки зависит от точного измерения уровня горючего и окислителя в баках. Измерение уровня производится ультразвуковыми сигнализаторами уровня жидкости СЖУ-1-2.
- LVT-F — уровень жидкости в баке горючего;
- LVT-L — уровень жидкости в баке окислителя.
Сила тяги
Тяга двигателя — один из важнейших параметров ЖРД, являющийся ключевой характеристикой двигателя и основной задачей испытаний. Измерение тяги производится с помощью тензодатчиков Keli DEE 500.
- ТИУ — измерение тяги.


Добавить комментарий